Описание
| Тип изделия | Консоль |
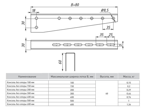
| Подходит для лотка шириной | 200…200 |
| Материал | Сталь |
| Защитное покрытие поверхности | Горячее цинкование |
| Цвет | Серый |
| Модель/исполнение | Прочее |
| Номер цвета RAL | 7 035 |
| Вид/ марка материала | Сталь оцинкованная |
| Вес за единицу хранения | 0,29 кг/шт |
| Гарантийный срок хранения | 7 лет |
| Группа продукции | Кронштейны, консоли |
| Гарантийный срок эксплуатации | 7 лет |
| Срок службы, лет | 20 |
| Есть штрихкод на каждой штуке товара | Да |
Консоль без опоры является облегченной версией монтажного кронштейна и применяется для малых и средних кабельных нагрузок. Монтаж осуществляется только совместно с профилями pp35120-1,5 (длина 120 мм.) или pp35180-1,5 (длина 180 мм).

