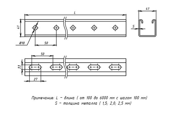
Описание
| Толщина материала | 2,5 |
| Материал | Сталь |
| Защитное покрытие поверхности | Горячее цинкование |
| С системой зубьев (зубчатым зацеплением) | Да |
| Номер цвета RAL | 7 035 |
| Исполнение для больших расстояний (усиленн.) | Нет |
| Форма профиля | С-профиль |
| Вес за единицу хранения | 1,18 кг/шт |
| Тип перфорации | Перфорация с 3-х сторон |
| Гарантийный срок эксплуатации | 7 лет |
| Гарантийный срок хранения | 7 лет |
| Вид/ марка материала | Сталь оцинкованная |
| Цвет | Светло-серый |
| Есть штрихкод на каждой штуке товара | Да |
STRUT-система S-Line предназначена для создания сети инженерных систем зданий. Система позволяет без сварки создавать опорные конструкции и фиксировать элементы при помощи канальных гаек, при этом подобная конструкция обладает высокой несущей способностью. Широкий ассортимент продукции позволяет создать монтажную систему любой сложности. Конструктивные особенности системы обеспечивают возможность оперативно и без лишних подготовительных работ модернизировать её или изменять трассировку.

